

A

A1

A2

A3, A4, A5 y A6

B

B1

B2

Filpla

MG

Vaucanson

Alambres Engarzados

Alveolar
Conveyor belts by Codina Metal
Conveyor belts consist basically of joined wires forming an endless belt, which is used for the continuous transfer of products. Wire belts are available in many different materials for numerous productions and process applications with wide range of temperatures ranges from freezing to heat treatment.
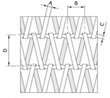
Belts are built with flat wire spirals across the belt's width and connected with either straight or crimped cross bars. The crossbar edges are either welded or linked.

A: Spirals wire diameter
B: Spirals pitch
C: Rods wire diameter
D: Distance between rods
Material used and recommended maximum temperatures
| Manganese steel (steel) | 350ºC | 
| Galvanized steel | 180ºC | 
| Chromium steel - AISI 502 | <600ºC | 
| Stainless steel 18/8 - 1.4307 - AISI 304 | 750ºC | 
| Stainless steel 18/8/2 - 1.4401 - AISI 316 | 800ºC | 
| Refractory steel 25/20 - 1.4841 - AISI 314 | 1150ºC | 
| Refractory steel 37/18 - 1.4864 - AISI 330 | 1150ºC | 
| Refractory steel 80/20 - 2.4869 | 1150ºC | 




